EDA即电子设计自动化技术,是芯片设计环节中不可或缺的关键工具,是半导体/集成电路产业乃至全球数字经济的基石。SEMI数据显示,2024年全球EDA软件行业市场规模约为185亿美元,支撑着数千亿美元的半导体产业以及数十万亿美元的数字经济。在全球市场波动与地缘政治紧张局势交织的大背景下,中国半导体行业需求却逆势上扬,而产业对国外EDA厂商的深度依赖,已然成为中国数字经济发展进程中难以规避的“阿克琉斯之踵”。
2025年5月,美国特朗普政府实质性切断部分美国企业向中国出售半导体设计软件的渠道。新思科技(Synopsys)、楷登电子(Cadence)和西门子EDA(Siemens EDA)等全球EDA软件龙头,被要求暂停向中国客户发货,今后向中国出口相关软件需获得新许可证,部分已发放许可证也将被撤销。美国日益严峻的限制措施,迫使中国半导体产业自主可控的进程需要进一步加速,在逆境中不断突破“卡脖子”的技术瓶颈,实现产业的自立自强。
一、EDA产品概况 (一)EDA工具的杠杆作用 EDA工具贯穿集成电路设计、制造全流程。EDA(Electronic Design Automation) 即电子设计自动化,通过EDA技术开发出的工具被称作EDA工具。当打开芯片的封装外壳,借助高倍显微镜对其表面进行观察时,能够看到无数规则排列的器件与连线,这便是芯片的版图(Layout)。在设计和制造该版图的各个环节中,都要用到对应的EDA工具。EDA工具是集成电路设计、制造、封装、测试等工作不可或缺的工具,是贯穿整个集成电路产业链的战略性基础支柱之一。 EDA是集成电路产业链上游的关键支撑。随着集成电路产业的迅猛发展,设计规模不断扩大、复杂度日益提高、工艺先进性持续提升,EDA工具的作用愈发重要,已成为提升设计效率、推动产业技术进步与革新的关键因素。
图1 集成电路产业链及EDA工具所处位置
资料来源:华大九天招股说明书。 EDA市场规模约占半导体行业增加值的3%。以2019年全球半导体不同环节的增加值为例,逻辑芯片设计占比最高,达30%;晶圆制造占19%,存储芯片设计占17%,制造设备占12%,DAO设计占9%,封装、组装和测试占6%,材料占5%,EDA和核心IP占比最低,为3%,各环节占比差异体现半导体产业增加值分布特点。
图2 2019 年按活动分列的半导体增加值
资料来源:赛迪智库,深企投产业研究院整理。 EDA影响下游数百倍规模的电子信息产业,拥有巨大的杠杆作用。由于EDA软件对于集成电路工艺进步的关键支撑,其在行业及生态系统中发挥着不成比例的巨大作用。从市场价值来看,根据美国半导体协会数据,2024年EDA行业的全球市场规模超过185亿美元,却支撑着数十万亿美元规模的数字经济。在中国这个全球规模最大、增速最快的集成电路市场,EDA杠杆效应或将更大。一旦EDA供应链断裂,全球由 EDA 工具、集成电路、电子系统、数字经济等构成的倒金字塔产业链结构稳定将面临巨大挑战。 (二)EDA分类及用途 集成电路设计与制造流程均需要对应的EDA工具。因此,EDA工具可分为设计类EDA与制造类EDA两大类别。设计类EDA按设计类型,可分为数字设计(细分为前端设计和后端设计)、模拟设计、封装设计;按设计应用分类,可分为模拟芯片、微处理器芯片、逻辑芯片、储存器芯片等应用场景。制造类EDA方面,按工艺平台开发阶段,可分为工艺与器件仿真工具(TCAD)、器件建模及验证工具、工艺设计套件工具(PDK);按晶圆生产制造阶段,可分为光罩数据准备(MDP)、光学邻近校正工具(OPC)、可制造性设计(DFM)。
图3 EDA工具的分类
资料来源:公开资料,深企投产业研究院整理。 下图是集成电路制造流程中,两类EDA工具作用的环节:
图4 集成电路设计和制造流程及相应EDA支撑关系
资料来源:概伦电子招股说明书。 设计类EDA工具主要为电路仿真及验证EDA,用于大规模集成电路的电路仿真和验证,优化电路的性能和良率。设计企业为减少反复进行流片验证耗费的时间和成本,需要在流片验证前,通过电路仿真和验证EDA工具尽可能真实地模拟芯片工作的过程,预测流片验证的结果。通过模拟预测的结果,在芯片设计阶段的早期就能发现设计问题,及时了解设计结果是否满足功能和性能要求,并进行相应修改,争取一次性通过完成芯片样片的流片验证。
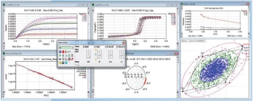
图5 电路仿真及验证EDA工具界面示意图
资料来源:概伦电子招股说明书。 制造类EDA工具主要为器件建模及验证EDA工具,用于快速准确地建立半导体器件模型,是集成电路制造领域的核心关键工具之一。集成电路功能与规模日趋复杂增大,但芯片面积受设备限制难同步扩大;工艺节点演进推动元器件微缩、单位面积晶体管密度提升,而晶体管尺寸逼近物理极限,导致制造工艺复杂度、成本及风险持续升高。制造类EDA(如TCAD工具)通过虚拟仿真替代物理实验,显著降低研发成本与试错风险,成为突破物理限制与工艺瓶颈的核心技术支撑。
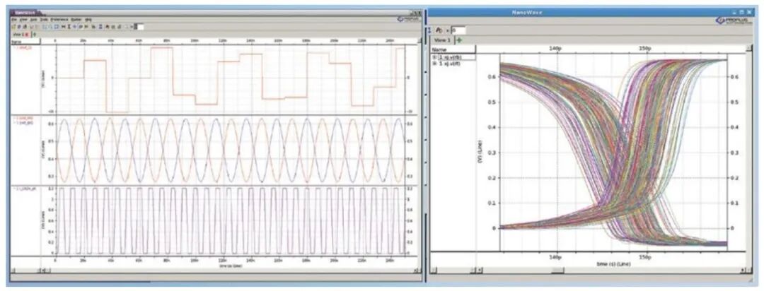
图6 器件建模及验证EDA工具产品界面示意图
资料来源:概伦电子招股说明书。 二、美国对华制裁及影响 (一)美对华EDA制裁的历史 2018年,美国商务部禁止中兴通讯获取美国EDA工具,导致其芯片设计业务遭受重创。 2019年,美国将华为海思列入实体清单,切断其与Cadence等美国EDA公司的合作,致使华为芯片设计推进困难。 2022年8月,美国商务部工业与安全局(BIS)发布临时最终规则,首次将EDA工具正式纳入关键技术出口管制范围,针对可用于设计GAAFET(环绕栅极晶体管)结构的EDA工具,新增出口管制分类编号ECCN3D006,以“国家安全”和“反恐”为由施加管制,自2022 年10月14日起,这类EDA软件工具对中国的出口被推定为拒绝。 2024年12月,BIS发布新规,对EDA软件的出口管制进一步升级,新设四个ECCN分类,对多种关键EDA软件进行限制,包括管控用于开发/生产特定半导体制造设备的软件、专门针对用于“多重曝光”技术的电子计算机辅助设计工具、计算光刻软件、限制提升深紫外光刻设备效率的软件。新规还首次明确将 EDA 软件的授权密钥(license key)纳入出口管制,要求其与对应软件或硬件归为相同ECCN编号。 2025年5月,BIS通知楷登电子、新思科技、西门子EDA 三家全球EDA龙头厂商,要求它们暂停提供对中国大陆半导体公司的产品支持与升级服务。楷登电子已表示涉及 ECCN 3D991和3E991的EDA软件及技术,若向中国境内或中国“军事最终用户”出口、再出口或国内转让,必须申请许可证。新思科技自2025年5月29日起,全面暂停对中国大陆的EDA工具销售、新订单接收及现有订单交付,覆盖所有中国客户(包括外资企业在华分支机构的员工),6月中旬恢复了部分非核心业务。西门子 EDA方面,中国区客户无法访问其技术类网站及部分文档资源,但其德国母公司未明确是否全面停止服务。 (二)2025年5月制裁冲击 由于新思科技采用年度“密钥”的授权模式,现有客户软件的可用期限将在未来355天内的不同时点终止,且无法再获得任何技术支持或更新。对于IP核,客户可以继续使用已下载的IP,但无法下载新IP或现有IP的更新版本。对于硬件,客户可以继续使用物理硬件,但配套软件和固件将停止更新。 对现有授权有效期内的企业冲击如下: 一是工具使用受限。客户现有密钥到期后,EDA工具无法获得维护、错误修复或更新,虽可使用自有技术保持更新,但技术支持缺失可能导致效率大幅下降。 二是研发进度滞后。新思科技的SolvNetPlus和楷登电子的Support Portal等技术支持平台曾被封锁,涵盖设计指南、问题排查等关键功能,若长时间无法访问,将严重影响研发进度与技术协作,多家中国IC设计公司的工作流程已受干扰。 三是流片成本上升。盗版EDA在芯片行业无生存空间,台积电等代工厂流片前会严格认证EDA工具,一旦发现盗版立即拉黑客户,根据网络消息,2023年已有中国公司因此损失上亿美元订单。企业不得不依赖现有授权或加速国产替代,短期内流片成本可能大幅上升。 (三)对我国集成电路行业先进制程影响 GAAFET架构被行业视为取代目前先进制程所采用的FinFET(鳍式场效应晶体管)的下一代技术。该架构有着更好的静电特性,在尺寸相同的情况下,可以达到更高的频率,功耗也更低,因此被视为通向2纳米的关键。三星已经在其3纳米工艺上采用了GAAFET,而英特尔、台积电也将在下一代2纳米工艺采用该架构。 先进制程芯片设计高度依赖最新IP,其能提供先进的功能模块与技术,像高性能处理器内核、高速通信接IP等。缺失这些,企业需自行研发替代模块,这不仅增加研发成本,更会因技术难度大、研发周期长而严重延缓先进制程芯片的研发速度。 先进制程芯片设计高度依赖美国EDA工具的高端功能,如数字设计、布局布线、验证等环节,断供导致相关研发项目可能在推向市场前夭折。短期内对中国半导体行业影响有限,长期来看则将限制中国向先进制程迈进。 三、全球EDA市场格局 (一)EDA市场规模 从下游市场看,在人工智能等应用带动下,全球半导体市场进入新一轮增长周期。当前,大模型参数数量大、训练数据量大、模型复杂度高等特征对计算资源需求不断加强,高性能计算能力、大量存储空间、快速信息传输成为大模型训练和运行的计算核心要素,加大了对高性能半导体产品需求。存储器价格受市场需求刺激影响下从低位逐渐回升,销量开始释放,实现量价齐升。2024年全球半导体市场规模达到6351亿美元,同比增长19.8%。受美国新的关税政策影响,预计2025年全球半导体市场规模将提升到6967亿美元,同比增长9.7%。
图7 2011-2025E年全球半导体市场规模及增速
资料来源:世界集成电路协会(WICA),深企投产业研究院整理。
根据世界半导体贸易统计组织(WSTS)预测,2026年全球半导体市场将进一步增长8.5%,规模达7607亿美元,内存将再度引领增长,而在欧洲和日本明显走强的影响下四大地区(美洲、亚太、日本、欧洲)均将实现规模提升。
图8 2024-2026年全球半导体市场规模
资料来源:世界半导体贸易统计组织(WSTS)。 中国集成电路产业规模迅速增长。根据中国半导体件行业协会的相关统计数据,2023年中国集成电路产业销售额达12276.9亿元人民币,同比增长2.3%。其中,设计业销售额为5470.7亿元,同比增长6.1%;制造业销售额为3874亿元,同比增长0.5%;封装测试业销售额2932.2亿元,同比下降2.1%。2018年-2023年集成电路产业销售额的年复合增长率达到了13.5%,产业增速较为明显。根据弗若斯特沙利文预测,到2028年,中国半导体市场规模有望攀升至 2990.3亿美元,年均复合增长率14.9%。
图9 2016-2023年中国集成电路产业销售额
资料来源:中国半导体行业协会、联芸科技招股说明书。 全球EDA工具市场规模持续增长。根据美国半导体协会和中国半导体行业协会数据,全球EDA工具市场规模从2020年110亿美元,逐步增至2024年的185亿美元,预计2025年达到200亿美元;中国市场规模从2020年的13.7亿美元,逐步增至2024年的18.6亿美元,预计2025年达20.5亿美元。
图10 2016-2025年全球及中国EDA市场规模(亿美元)
资料来源:美国半导体协会、中国半导体行业协会,深企投产业研究院整理。 (二)行业竞争格局 全球EDA行业由三巨头主导,市场集中度高。新思科技Synopsys、楷登电子Cadence以及西门子 EDA(前身为Mentor Graphics)组成行业第一梯队,在全球EDA市场中形成垄断态势。2022年数据显示,这三大企业在国内市场的占有率接近75%。这些企业依托完整的工具链体系、前沿的技术优势以及成熟的生态系统持续保持行业领先地位,并且构建了极为完善的行业生态圈,由此形成了较高的行业进入壁垒,同时也积累了较强的用户粘性。
图11 2022年全球EDA行业市场格局
资料来源:JW Insights,深企投产业研究院整理。 从营收规模来看,2024年新思科技的营收超过61亿美元,相当于国产EDA龙头华大九天的36倍。
图12 2024年中外EDA厂商营收对比(亿美元)
资料来源:各公司年报、公开资料,深企投产业研究院整理。 国外EDA主要企业如下表所示。
表1 EDA国际三大巨头对比
资料来源:公开资料,深企投产业研究院整理。
表2 国际细分技术厂商小龙头
资料来源:公开资料,深企投产业研究院整理。 国际龙头通过持续并购扩张市场份额。EDA行业的发展史,也是行业内企业持续并购整合的过程。以行业龙头新思科技为例,其EDA产品已实现对模拟/数字芯片设计的全流程覆盖,其中经历了超过50次并购。 在芯片设计领域,1997年,新思科技收购了深亚微米分析的Epic Design Technology和开发高级仿真产品的Viewlogic Systems;2002年以8.3亿美元收购Avant!公司。收购Avant!后,公司发挥Avant!Astro工具的优势,先是和Physical Compile结合在一起,又和Physical Compile完全整合为强大的IC Compiler,能够并行执行物理综合、时钟树综合、布局、布线、良品率优化和校正等功能,直接衔接新思科技的前端和后端工具,由此成为EDA历史上第一家可以提供顶级前后端完整IC设计方案的领先EDA工具供应商。2020-2023年又陆续收购了Concertio、FishTail Design Automation、Silicon Frontline和Maxeda等公司。2024年新思科技宣布,将以每股197美元现金和0.345股新思科技普通股的对价,收购仿真分析软件公司Ansys,此次交易是研发设计类工业软件的横向整合,Ansys则是CAE软件的龙头。通过并购,新思科技市场份额在2008年超越楷登电子,此后持续稳居全球EDA市场领先地位。
图13 新思科技并购史
资料来源:公开资料,深企投产业研究院整理。 国内EDA市场被国际三巨头主导,但本土企业仍占据一定份额,头部前十企业形成错位竞争格局,在细分领域表现突出。其中,华大九天凭借模拟电路设计全流程、数字电路设计、平板显示电路设计全流程及晶圆制造等领域的EDA工具优势,持续实现市场突破,2022年以约7%的市场份额位居本土企业首位。具体而言,本土EDA企业间保持良性竞争,通过差异化策略深耕细分领域,这种错位发展模式既推动了技术突破,也为产业多元化发展奠定基础。
图14 2022年中国EDA行业市场格局
资料来源:JW Insights,深企投产业研究院整理。 产业链协同是EDA行业竞争的关键成功因素。EDA厂商与产业上下游的深度合作至关重要。EDA厂商需要与芯片设计公司和晶圆厂紧密合作,以保证流片成功。例如在RTL“翻译”成网表、晶体管布局布线、仿真、验证等过程中,都需要真实制造环节的工艺参数,来保证最终生成的版图文件能在相应晶圆厂流片。这些工艺参数通常被晶圆厂打包在PDK/标准单元库中,因此是否拥有足够多主流晶圆厂的PDK/标准单元库,是芯片设计公司选择EDA厂商的关键因素之一。 芯片设计企业与晶圆厂对EDA厂商的反馈,可助力其实现快速迭代升级。而芯片设计企业及晶圆厂的新需求、新工艺,亦能推动EDA厂商开发软件新功能,持续保持工艺支持的领先性。由此可见,强化与芯片设计企业、晶圆厂的合作,获取充足的PDK/标准单元库及行业专业知识,是EDA厂商发展的重要战略方向。
图15 EDA厂商需要与Foundry和Fabless紧密合作
资料来源:公开资料,深企投产业研究院整理。
表3 EDA厂商合作的代表性集成电路和设计企业
资料来源:公开资料,深企投产业研究院整理。 四、中国EDA行业发展历程 巴铁禁运技术封锁阶段(1950-1986年):20世纪70建国初期,巴黎统筹委员会限制成员国向社会主义国家出口战略物资和高端技术,列入禁运清单的有军事武器装备、尖端技术产品和稀有物资等三大类上万种产品。彼时对中国实施的禁运管制以及西方全面封锁技术使得国外EDA软件无法进入国内市场,国内的ICCAD工具研发,停留在众多一级系统和二级系统。无奈之下在八十年代中后期,国内开始投入EDA领域的研发。 “熊猫系统”问世阶段(1986-1994年):为摆脱对海外技术的依赖,中国动员了全国17个单位,200多名专家聚集北京集成电路设计中心,共同开展国产EDA的研发工作。经过长达四年的努力,1993年中国第一款具有自主知识产权的EDA工具终于面世,并被命名为“熊猫系统”。目前国内规模最大、产品线最完整、综合技术实力最强的EDA企业华大九天初始团队部分成员也参与其中。 国产遇冷阶段(1994-2008年):由于巴统禁运对我国EDA工具的封锁解除,国内大量购入成熟EDA软件,Cadence、Synopsys等EDA企业进入中国,国产EDA遇冷,缺少政策和市场支持的国内EDA工具研发和应用陷入低谷,这种情形也导致了国内集成电路产业对国外EDA工具的重度依赖。 再度萌芽及高速发展期(2008年至今):EDA被列入国家“核高基”重大科技专项,重新获得了多项政策的鼓励和扶持;华大九天成立,承担EDA核高基任务;国产EDA开始走向舞台。国产EDA进入发展提速期,国产EDA龙头企业华大九天受大基金领头投资并成功上市。 五、中国EDA行业现状 (一)国产主要厂商 在中国EDA行业生态中,各细分品类全面发展具备优势。国内主流厂商包括华大九天(A股)、广立微(A股)、概伦电子(A股)、国微集团、芯华章、培风图南、思尔芯等。在前端设计领域,芯华章进行了全面布局,在后端设计方面,鸿芯微纳表现突出,模拟IC设计领域则由华大九天引领,生产制造环节,培风图南全面实现了TCAD及OPC等工具开发,其他企业正在积极推动技术创新和市场拓展。
图16 中国EDA厂商(按流程分类)
资料来源:弗若斯特沙利文。
表4 中国本土领先厂商
资料来源:公开资料,深企投产业研究院整理。 从上市公司情况看,华大九天作为国产龙头,2024年营收达到12.22亿元。
图17 2024年中国EDA上市厂商营收(亿元)
资料来源:Choice,深企投产业研究院整理。 国内新兴EDA技术厂商近年来在细分领域快速崛起。近年来兴起的国产厂商包括芯和半导体(已被华大九天收购)、行芯科技、阿卡思微电子、合见工软等,如下表所示。这些厂商通过差异化创新与生态协同,正逐步打破国际垄断,在成熟工艺替代与先进封装等赛道形成突破。
表5 国内新兴技术厂商情况
资料来源:公开资料,深企投产业研究院整理。 其他新兴厂商还有数十家,包括青岛若贝电子、浙江九霄智能、上海芯思维信息、深圳国微芯科技、无锡亚科鸿禹、深圳鸿芯微纳、上海日观芯设、天津蓝海微科技、北京超逸达科技、北京智芯仿真、湖北九同方微、北京芯愿景软件、杭州四维映射、深圳华芯盛软件、冉谱微电子、深圳紫光同创、珠海硅芯科技、南京文海芯潮、宁波艾伟达科技、成都派兹互连电子、成都天府逍遥、上海芯无双、南京芯行纪科技、宁波德图科技、宁波联方电子、成都英诺达、上海弘快科技、深圳晶锐工业软件、上海弘快科技、湖南芯易德科技、苏州宽温电子、深圳亿方联创、杭州华芯程、无锡玖熠半导体等。 (二)行业投资并购格局 目前,国内EDA产业因为行业生态环境的发展和支撑相对滞后,还处于发展早期阶段,这导致了目前EDA创业企业数量繁多、竞争格局分散的局面。EDA工具是一个“多工具”组成的软件集群,我国企业在部分工具上实现突破,最终目标是提供完整可用的全流程工具链。通过整合资源、技术和人才,行业内的企业能够更好地应对市场挑战,推动行业的进步与发展。这种整合有助于创造更具竞争力的产品和服务,为行业带来更多的可能性和机遇。 近年国内EDA行业并购事件频繁,企业兼并重组进程加快。2023年8月份概伦电子完成了对比利时EDA公司Magwel的100%股权交割。2023年5月概伦电子收购了福州芯智联科技有限公司100%股权。2022年10月,华大九天收购芯达科技100%股权。2024年6月华大九天收购阿卡思微电子49.75%股份。2025开年来,华大九天公告拟收购芯和半导体、概伦电子公告拟收购锐成芯微。
表6 中国领先EDA厂商并购事件
资料来源:公开资料,深企投产业研究院整理。 国内EDA(电子设计自动化)产业发展热度攀升,资本对该领域的关注与投入持续加码。合见工软在2025年1月完成近10亿元A轮融资,获浦东创投集团旗下浦东引领区基金支持;四维映射同期拿到斯科基金千万级人民币Pre-A轮融资。亚科鸿禹融资活跃,2024年3月有允泰资本、华大九天(战略跟投)参与第二轮融资,2025年3月又完成B轮融资,投资方包括九天盛世EDA基金、大湾区基金。华芯盛、行芯科技等也在不同时间节点,凭借各自技术与发展潜力,吸引广立微领投、国家大基金二期等投资方注入资金,这些融资为EDA厂商技术研发、业务拓展提供助力,也折射出产业生态构建过程中资本的关键作用,反映出市场对EDA技术创新及国产替代的期待与布局。
表7 近年来EDA行业融资事件一览表
资料来源:公开资料,深企投产业研究院整理。 国家大基金加强对EDA厂商投资。国家集成电路产业投资基金(以下简称 “国家大基金”)近年来也在加大对EDA厂商的投资布局,如下表所示。
表8 国家大基金参投EDA行业公司一览表
资料来源:公开资料,深企投产业研究院整理。 六、中国厂商如何突围 1、以史为鉴,推进EDA行业并购整合 在EDA行业高度垄断的市场格局下,中国厂商突围需借鉴国际巨头发展路径,将并购整合作为快速补齐技术短板、拓展全流程工具链的核心策略。从新思科技通过超50次并购实现逻辑综合到物理验证全流程覆盖的成功案例可见,并购是突破技术壁垒的有效手段。近年来,国内头部企业已开启并购加速模式,不仅能快速获取核心专利与顶尖团队,更能通过技术整合构建“点工具-全流程-生态链”的进阶路径,构建“EDA+IP”生态。 2、加快构建产业链“铁三角”关系形成 EDA厂商、集成电路设计厂商和集成电路制造厂商三者关系紧密,缺一不可。一方面在与晶圆制造厂商合作的过程中获得PDK、单元库等工艺参数,建设生态壁垒,另一方面,能够响应集成电路设计厂商的新需求,推出更完整的工具链支撑方案。当公司储备了足够多PDK和单元库等工艺参数文件时,将会吸引更多芯片设计厂商主动选择公司的产品,“铁三角”的格局将进一步巩固。对于中国国产替代而言,需要继续推进国产EDA巨头与国内外知名晶圆制造厂商的深度绑定,形成产业联盟,共建PDK开发平台,撬动国外“设计-制造-工具”铁三角,形成属于中国厂商的产业链铁三角关系。 3、顺应潮流,积极布局AI+EDA 在全球EDA技术迭代浪潮中,AI与EDA的深度融合为中国厂商提供了破局关键机遇。在AI重构EDA设计范式的过程中,国内外企业技术代差显著缩小,中国厂商可通过“AI模型+行业知识”双轮驱动实现突破。 从技术演进看,AI算法已成为突破传统 EDA 工具效率瓶颈的核心驱动力——如通过强化学习优化芯片布局布线,借助深度学习加速验证覆盖率收敛,可将设计周期缩短30%以上并显著提升功耗性能面积(PPA)指标。新思科技等国际巨头通过Synopsys.ai全栈式解决方案构建的技术壁垒,恰恰指明了中国厂商的突破路径:可依托国内AI算法研发优势与芯片设计场景数据积累,聚焦数字电路智能综合、模拟电路自动化迁移等场景,开发具备自主知识产权的AI驱动EDA工具链,在14nm及成熟制程领域形成差异化竞争力。同时,云化部署趋势下,中国厂商可依托阿里云、华为云等本土算力基础设施,推出“AI+EDA+云”一体化解决方案,以弹性算力优势降低中小设计企业使用门槛,在IP验证、良率分析等环节实现市场渗透。 作者:叶林轩 修订:林和坤


